2 号发电机中性点 CT 匝间短路案例分享
2023-05-23 科威
智能变电站继电保护技术规范知识分享
2023-05-22 科威
110kV线路间隔保护检验分享
2023-05-10 科威
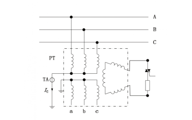
微机消谐装置消谐原理知识分享
2023-05-09 科威
弄懂变压器的油温与绕组温度
2023-04-28 科威
CT更换过程中的二次危险点及控制措施
2023-04-24 科威
电力变压器的保护配置知识分享
2023-04-20 科威
配电箱制作标准知识分享
2023-04-06 科威