电力变压器的保护配置知识分享
电力变压器的保护配置知识分享
变压器的故障
变压器的故障可以分为油箱外和油箱内两种故障。油箱外的故障,主要是套管和引出线上发生的相间短路和接地短路。油箱内的故障包括绕组的相间短路、接地短路、匝间短路以及铁芯的烧损等。油箱内故障时产生的电弧,不仅会损坏绕组的绝缘、烧毁铁芯,而且由于绝缘材料和变压器油因受热分解而产生大量气体,有可能引起变压器油箱的爆炸。因此,当变压器发生各种故障时,保护装置应能尽快的将变压器切除。实践表明,变压器套管和引出线上的相间短路、接地短路、绕组的匝间短路是比较常见的故障形式,而变压器油箱内发生相间短路的情况比较少。
变压器的不正常运行状态
变压器的不正常运行状态主要有变压器外部短路和过负荷引起的过电流;中性点直接接地电力网中,外部接地短路引起的过电流及中性点过电压;风扇故障或漏油等原因引起冷却能力的下降等。这些不正常运行状态会使绕组和铁芯过热。大容量变压器在过电压或低频率等异常运行工况下会使变压器过励磁,引起铁芯和其他金属构件过热。变压器处于不正常运行状态时,继电保护应根据其严重程度,发出告警信号,使运行人员及时发现并采取相应的措施,以确保变压器的安全。
变压器的保护配置
电力变压器油箱内故障时,除了变压器各侧电流、电压变化外,油箱内的油、气、温度等非电量也会发生变化。因此,变压器的保护分电量保护和非电量保护两种。非电量保护装设在变压器内部。线路保护中采用的许多保护如过流保护、纵差动保护等在变压器的电量保护中都有应用,但在配置上有区别。
根据规程规定,变压器一般应装设下列保护:
(一)瓦斯保护
规程规定对于容量为800kV·A及以上的油浸式变压器和400kV·A及以上的车间内油浸式变压器,应装设瓦斯保护。
瓦斯保护是反应油浸式变压器内部故障的一种保护装置。当油浸式变压器油箱内部发生故障时,在故障电流和电弧的作用下,变压器油和其他绝缘材料会受热而分解,产生气体,这些气体从油箱流向油枕的上部,故障越严重,产生的气体就越多,流向油枕的气流速度也越快,利用这种气体来动作的保护装置,称为瓦斯保护。
瓦斯保护的主要元件是气体继电器,它安装在油箱与油枕之间的连接管道上。气体继电器是变压器的一种保护用组件,当变压器内部有故障,而使油分解产生气体或造成油流冲击时,继电器的触点动作,给出信号或者使断路器跳闸,使变压器退出运行。为了不妨碍气体的流通,通往继电器的连接管道应有2%~4%的坡度。以开口杯挡板式气体继电器为例:正常运行时,上、下开口杯都浸在油中,上、下触点均断开。当油箱内部发生轻微故障时,少量的气体上升后逐渐聚集在继电器的上部,迫使油面下降,使上开口杯漏出油面。由于浮力减少,在重力作用下开口杯顺时针方向转动,使上触点闭合发出“轻瓦斯”保护动作信号。当油箱内部发生严重故障时,大量气体和油流直接冲击挡板,使下开口杯顺时针方向转动,带动下触点闭合,发出跳闸脉冲,表示“重瓦斯”保护动作。当变压器出现严重漏油而使油面逐渐降低时,首先是上开口杯露出油面,发出报警信号,然后下开口杯露出油面,发出跳闸脉冲。上触点表示“轻瓦斯动作”,动作后经延时发出报警信号。下触点表示“重瓦斯动作”,动作后启动变压器保护的总出口继电器,使断路器跳闸。当油箱内部发生严重故障时,由于油流的不稳定性可能造成触点的抖动,此时为使断路器能可靠跳闸,应选用具有电流自保持线圈的出口中间继电器,动作后由断路器的辅助触点来解除出口回路的自保持。此外,为防止变压器换油或进行试验时引起重瓦斯保护误动作跳闸,可利用切换片将跳闸回路切换到信号回路。
瓦斯保护的主要优点是动作迅速、灵敏度高、安装接线简单、能反应油箱内部发生的各种故障(如绕组轻微的匝间短路、铁芯烧损等)。其缺点是不能反应油箱以外的套管及引出线等部位上发生的故障(如变压器绝缘子闪络等)。因此瓦斯保护可作为变压器的主保护之一,需要与纵联差动保护相互配合、相互补充,才能够实现快速而灵敏的切除变压器油箱内、外及引出线上发生的各种故障。
(二)纵差动保护和电流速断保护
对于容量为6300kV·A及以上的变压器,以及发电厂厂用变压器和并列运行的变压器,10000kV·A及以上的发电厂厂用备用变压器和单独运行的变压器,应装设纵差动保护。对于容量为10000kV·A以下的变压器,当后备保护的动作时限大于0.5s时,应装设电流速断保护。对2000kV·A以上的变压器,当电流速断保护的灵敏性不能满足要求时,也应装设纵差动保护。
1纵差动保护
(1)纵差动保护基本原理
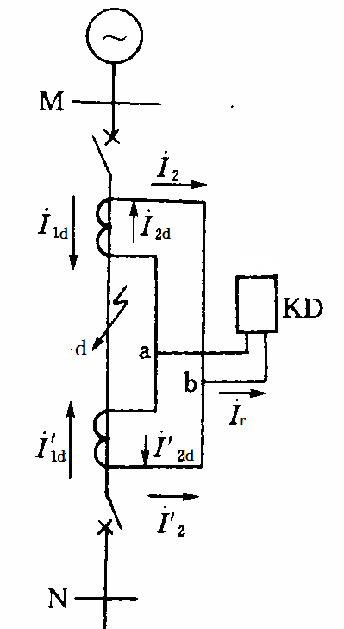
纵差动保护,是由比较被保护元件两侧电流的大小和相位而构成的。以图1所示双侧电源供电的短线路为例,简要说明纵差动保护的基本原理。
设线路两端装设特性及变比完全相同的电流互感器,两侧电流互感器一次回路的正极性均放在母线的一侧,将二次回路的同极性端子相连接后,在电流互感器的二次端子上接入差动继电器。

当正常运行及保护范围外部故障时,两侧电流互感器一次侧流过的两个电流相等。即IⅠ=IⅡ。假定两侧电流互感器变比相同(均为kTA),在忽略互感器的励磁电流的理想情况下,二次侧的两个电流II2和III2大小也相等,此时流入差动继电器的电流为零,即
当线路内部故障时,如图1-2所示d点短路,流入继电器的电流为


式中:Ir为短路点的总电流,当Ir≥Iop时,继电器立即动作,跳开线路两侧断路器。
实际上,由于两侧电流互感器总会存在励磁电流Im,且励磁特性不可能完全相同,所以在正常运行及外部故障时,流过差动继电器的电流不为零,而存在一个不平衡电流Idsp。为了保证纵差动保护动作的选择性,差动继电器的动作电流必须躲过外部短路时出现的最大不平衡电流。不平衡电流的存在会使继电器的动作电流增大,降低内部故障时纵差动保护的灵敏度,因此要尽量减小不平衡电流,这是所有差动保护必须解决的问题。
(2)变压器的纵差动保护
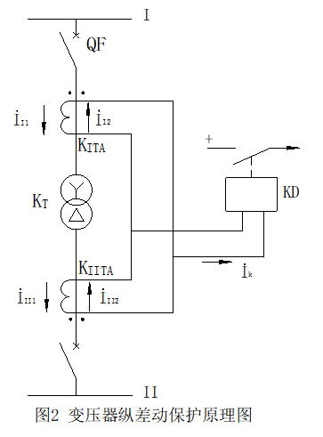
图2为双绕组变压器的纵差动保护的原理接线。由于变压器高压侧和低压侧的电流II1和III1是不相等的,为使变压器正常运行及外部故障时流入差动继电器的两个二次电流II2和III2的大小相等,必须适当选择两侧电流互感器的变比,使之满足下列条件:
式中KITA——高压侧电流互感器的变比;
KIITA——低压侧电流互感器的变比。
设变压器的变比为KT,则有KT=KIITA/KITA
可见,要使变压器差动保护能正确动作,必须使两侧电流互感器变比的比值等于变压器的变比。

变压器的纵差动保护同样需要躲过在正常运行及外部短路时各种因素造成的不平衡电流。包括变压器励磁涌流造成的不平衡电流、变压器两侧电流相位不同引起的不平衡电流、电流互感器变比标准化引起的不平衡电流、两侧电流互感器型号不同产生的不平衡电流、变压器带负荷调整分接头产生的不平衡电流等。在电力系统中,纵差动保护主要用作变压器内部相间故障的主保护。
2电流速断保护
对于容量较小的变压器,可在电源侧装设电流速断保护。为保证选择性,电流速断保护只能保护变压器的一部分,它与瓦斯保护和过电流保护配合,可以组成小型变压器的整组保护。当变压器电源侧为小接地电流系统时,保护可采用两相式接线;当电源侧为大接地电流系统时,可采用三相式或两相三继电器式接线。
电流速断保护的动作电流应按以下两个条件计算,并取其中的较大者作为动作电流的整定值。
躲过变压器二次侧母线短路时的最大短路电流,即

式中Krel——可靠系数,取1.2~1.3;

整定原则 2:按躲过变压器空载励磁涌流整定。
Iop1=Kb×Ie
式中:Kb:励磁涌流倍数, 7~10; Ie:变压器高压侧额定电流。
电流速断保护的灵敏度应按下式校验:


(三)外部相间短路和接地短路时的后备保护
变压器的主保护通常采用差动保护(小容量变压器可采用电流速断保护)和瓦斯保护。除了主保护外,变压器还应装设相间短路和接地短路的后备保护。后备保护的作用是为了防止由外部故障引起的变压器绕组过电流,并作为相邻元件(母线或线路)保护的后备以及在可能的条件下作为变压器内部故障时主保护的后备。变压器的相间短路后备保护通常采用过电流保护、低电压启动的过电流保护、复合电压启动的过电流保护以及负序过电流保护等,也有采用阻抗保护作为后备保护的情况。接地短路时的后备保护应根据变压器台数及接地情况配置。
(1)过电流保护
过电流保护应装在变压器的电源侧,采用完全星形接线。保护动作后,跳开变压器两侧断路器。
过电流保护装置的动作电流应按照躲开变压器可能出现的最大负荷电流来整定,具体问题作如下考虑:
对并列运行的变压器,应考虑切除一台时所出现的过负荷;对于降压变压器,应考虑低压侧负荷电动机自启动时的最大电流
(2)低电压启动的过电流保护
低电压启动的过电流保护,只有当电流元件和电压元件同时动作后,才能启动时间继电器,经过预定的延时后,启动出口中间继电器动作于跳闸。
当采用低电压启动的过电流保护时,电流元件的动作电流按躲开变压器的额定电流整定
2变压器的接地保护
大接地电流系统的电力变压器,一般应装设接地保护,作为变压器和相邻元件接地短路的后备保护。系统发生接地短路时,零序电流的大小和分布与系统中变压器中性点接地数目和位置有关。对于只有一台变压器的变电所,一般均采用变压器中性点直接接地运行方式。对于有两台及以上变压器并列运行的变电所,一般采用一部分变压器中性点接地运行,另一部分变压器中性点不接地运行的方式,以保持在各种运行方式下,变压器中性点接地数目和位置应尽量维持不变,从而保证零序保护有稳定的保护范围和足够的灵敏度。
(1)只有一台变压器的变电所
对只有一台变压器的变电所,通常装设普通的零序过电流保护,保护接于中性点引出线的电流互感器上。保护动作电流与被保护侧母线引出线零序电流保护后备段在灵敏度上相配合的条件进行整定
(2)两台变压器并列运行的变电所
对两台变压器并列运行的变电所,如图3所示,一般采用一台变压器中性点接地运行(如T1),另一台中性点不接地运行(如T2)。这时,若在高压系统发生接地短路,T1跳闸后,T2仍将带故障运行,则将产生危险的过电压,T2的绝缘将遭到损坏。因此,对部分变压器中性点接地运行的变电所,在构成接地保护时,应考虑一下两个问题:

a、发生故障时,应能切除所有与接地短路系统相连接的变压器;
b、接地故障发生后,应首先跳开中性点不接地运行的变压器,以防止过电压造成的危害,然后再跳开中性点接地运行的变压器。
(四)过负荷保护
变压器长期过负荷运行时,绕组会因发热而受到损伤。对400kV·A以上的变压器,当数台并列运行,或单独运行并作为其他负荷的备用电源时,应根据可能过负荷的情况,装设过负荷保护。变压器的过负荷电流一般都是三相对称的,因此,过负荷保护只接于一相电流上,经较长的延时作用于信号。对于无值班人员的变电所,必要时过负荷保护可动作于自动减负荷或跳闸。对自耦变压器或多绕组变压器,过负荷保护应能反映公共绕组及各侧过负荷的情况。
过负荷保护安装侧的选择,应能反映变压器各绕组的过负荷情况。对双绕组升压变压器,过负荷保护一般装设在低压侧。对一侧无电源的三绕组升压变压器,应装在发电机侧和无电源侧;若三侧都有电源时,各侧均应装设过负荷保护。对双绕组降压变压器,过负荷保护一般装在高压侧。对单电源的三绕组降压变压器,若三绕组容量相同,过负荷保护仅装在电源侧;若三侧绕组容量不同,则在电源侧和容量最小侧分别装设过负荷保护。对双侧电源的三绕组降压变压器或联络变压器,三侧均应装设过负荷保护。
过负荷保护的动作电流,按躲开变压器额定电流整定
(五)过励磁保护
对频率减低和电压升高而引起变压器过励磁时,励磁电流急剧增加,铁芯及附近的金属构件损耗增加,引起高温。长时间或多次反复过励磁,将因过热而使绝缘老化。高压侧电压为500kV及以上的变压器,应装设过励磁保护,在变压器允许的过励磁范围内,保护作用于信号,当过励磁超过允许值时,可动作于跳闸。过励磁保护反应于铁芯的实际工作磁密和额定工作磁密之比(称为过励磁倍数)而动作。实际工作磁密通常通过检测变压器电压幅值与频率的比值来确定。
(六)其他非电量保护
对变压器温度及油箱内压力升高和冷却系统故障,应按现行有关变压器的标准要求,专设可作用于信号或动作于跳闸的非电量保护。