关于仪表测量的这些要点,你掌握了吗?
2023-08-04 科威
关于仪表测量的这些知识要点,你掌握了吗?
2023-07-13 KWZK
何为一次调频功能,一次调频和二次调频有区别?
2023-07-12 KWZK
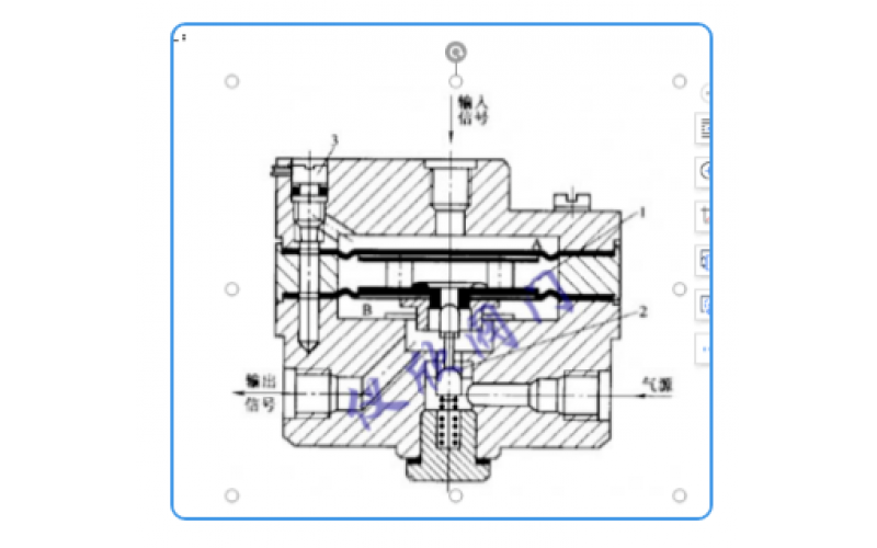
详解气动继动器知识分享
2023-07-03 科威
工业自动化仪表设计安装容易忽略的问题
汽轮机胀差、轴位如何定零位?
2023-05-22 科威
系统接地接对控制系统的影响!
2023-05-10 科威
应急重力滑行装置在副井提升机的应用知识分享
2023-05-08 科威