布袋除尘器进口温度波动大原因
2023-10-17 科威
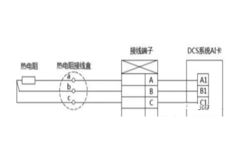
温度显示波动检修案例PT100
2023-09-05 科威
电气设备发热原因分析及整改措施
2023-09-04 科威
红外成像测温柜门发现主变出口总开关接触不良
2023-08-24 科威
温度传感器测温表安装方式
2023-08-09 科威
测温仪表安装知识分享
热电偶和热电阻的选择及工作现场故障判断
2023-08-08 科威
热电偶和热电阻测温仪表的区别