行业知识

汽轮机油动力电磁阀的原理及一些安全控制的思路分享

2022-07-08 08:35:34 科威自控

汽轮机油动力电磁阀的原理及一些安全控制的思路分享


1.油路原理图及控制过程。(调节阀)

图片关键词

红色线:压力油。蓝色线:回油。橙色线:控制油。

如上图所示,来自母管的GFR压力油分成两路,一路经过滤器作为伺服阀的先导油,一路经过滤器又分成两路。其中一路进入伺服阀,控制油缸进油,另外一路送两路快关电磁阀,也称停机电磁阀。快关电磁阀有两路,冗余配置,接收汽轮机保护系统来的信号,其中一路动作,引起快关门。


以一路电磁阀为例:

正常运行时,电磁阀带电,使P-A连通,压力油经电磁阀后,分为两路,如橙色部分,一路使插装阀a向下关闭,使插装阀b的控制油不与回油管线接通,一路经逆止阀为插装阀b提供控制油,使其关闭。b阀关闭,就使油缸的进油回路与回油回路断开。


汽机保护动作时,电磁阀失电,电磁阀的A-T口导通,插装阀a在弹簧的作用下打开,使阀b的控制油失去,阀b在弹簧的动力下打开,使去往油缸的压力油与回油管线接通,压力油直接经油缸去往回油管线。主阀门在弹簧的作用下关闭。


截止阀的油路与主汽阀基本相同,将伺服阀换为开关阀即可。


除此之外,b阀比a阀尺寸大很多。压力油去往伺服阀的过滤器更加精密。


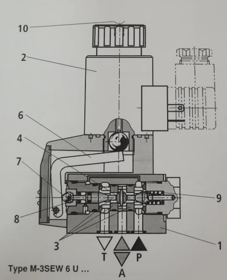
2.电磁阀和伺服阀的结构

图片关键词

电磁阀基本上由阀体1,电磁线圈2,阀芯系统3和关闭元件4组成。在初始位置时,球芯4被弹簧9或电磁力压在阀座上。线圈2通过倾斜的杠杆6和球7作用在柱塞8上,可以推动阀芯移动,实现PA口接通或AT口接通。通过旋钮10可手动切换电磁阀位置。

图片关键词

伺服阀为两级结构,由伺服马达1,液压放大器2(即挡板喷嘴结构),阀芯3通过机械位置反馈与伺服马达连接。

当伺服线圈接收到电信号时,在电枢5处的永磁体与转矩管6结合,产生转矩。由于挡板7与转矩管6连在一起,转矩将推动挡板离开中心孔8,两侧喷嘴产生压差,从而在阀芯3两次产生压差,推动阀芯3移动。阀芯3通过机械位置反馈9与挡板喷嘴连接,控制阀芯位置移动,直到机械位置反馈弹簧力与电磁力矩平衡,喷嘴挡板两侧压力平衡。

控制阀芯的行程,通过先导控制阀的流量按电气信号的输入实现闭环控制。


3.油路常见故障

3.1快关电磁阀控制回路断线或接地故障

    当快关电磁阀控制回路发生断线或接地故障时,快关电磁阀将处于失电状态,此时油动机控制回路的其他设备处于正常运行状态,即伺服阀处于工作进油状态。当快关电磁阀失电后,该电磁阀控制的单向阀组将导通,油动机油缸与回油管路导通,油缸 EH油压将迅速降低,油动机将逐渐关闭。此时伺服阀电流将升至上限,供油量急剧增大,EH油泵出力增大,工作电流异常上升,趼油母管油压将逐步下降,若出不及时,将导致H油母管油压过低,汽轮机其他阀门油动机异常关闭,甚至机组跳闸。

西门子汽轮机配置的控制系统一般为DEH控制系统,快关电磁阀的控制回路供电电压为24VDC,由西门子系统特有的故障安全型输出卡件直接供电控制。

当快关电磁阀控制回路发生断线或接地故障时,故障安全型输出卡件将短时间内检测到输出通道故障,输出通道故障报警信号。在控制系统的原设计逻辑中,该报警信号仅作为系统报警,提醒工作人员注意。在实际的应用过程中,由于运行人员的故障判断能力局限,往往无法及时判断故障点,无法及时完成故障隔离,引起事故的扩大。10月26日,广东某新投运百万机组的汽轮机2号中调门1号快关电磁阀控制回路断线,导致2号中调门快速关闭,与此同时油压迅速下降,引起其他阀门组关闭,机组跳闸。

针对此类故障情况,根据油动机油路控制原理,为尽快隔离故障油动机,需迅速关闭伺服阀进油,防止进油管道与回油管道直接导通,造成EH油母管油压下降。在伺服阀存在的情况下,要达到快速关闭伺服阀的效果,可通过降低伺服阀阀限的方法,将伺服阀电流指令限制在负方向,确保伺服阀往关方向偏置,截止进油。本系统使用的逻辑控制方案为:当系统检测到故障安全型卡件快关电磁阀通道故障,发出通道故障信号后,直接利用该指令将该快关电磁阀所在的阀门油动机伺服阀指令限制降至-5%,确保了伺服阀指令电流为负方向电流,截断伺服阀进油。


3.2快关电磁阀油路卡涩或泄露

当快关电磁阀组中的任一个阀发生卡涩或泄露时,进油管路与回油管路直接导通,导致EH油母管压力下降。

在正常情况下,快关阀常带电,动作次数较少,该问题出现的情况较少。只有在机组启停过程中和进行阀门在线时,电磁阀在长时间不动作后,进行多次动作时,极易引起电磁阀卡涩的情况。

国内几个应用汽轮机较早的发电厂,如浙江乐清发电厂、北仑电厂、广东平海发电厂等,均发生了不同程度的油动机快关电磁阀卡涩的情况。其中乐清发电厂在2012年月2日,北仑电厂在2012年5月31日进行在线阀门 ATT试验过程中,发生电磁阀卡涩无法回座的情况,导致阀门在开启过程中无法正常开启,EH油母管油压持续下降,导致机组异常跳闸。平海电厂自2010年进行机组调试及机组投入商业运行后,在机组的启停过程中,发生多起电磁阀卡涩,导致阀门无法正常开启的情况。

在该情况下,系统反应较快,运行人员一般情况下无法快速反应,为保障机组安全,需建立快速准确的控制系统自诊断功能。经现场实践总结,故障判断条件由以下两条组成:a、当调门指令偏差10%,且两台 EH油泵出口压力及母管油压均小于13MPa 时,将该调门的阀限设为一5%,快关调门,保证切断进油管路,防止酬油母管油压降低;b、监视伺服阀的线圈电流,当调门伺服阀线圈电流大于20mA,延时3S,系统发出重要设备故障报警。

这种情况故障的主要原因为油路发生机械卡涩所导致,直接原因为油质不合格,含有较多的杂质。

根据油动机控制油路可知,汽轮机油动机的EH油压建立主要是依靠每个油动机上布置的两个快关电磁阀,这两个快关电磁阀平时具备一定的回油量,直接导致了该电磁阀容易成为油路上杂质的沉积点,加剧卡涩发生的可能性。从这个层面上考虑,汽轮机油动机对油质,特别是固体杂质含量的要求是高于其他机型对于油质的要求的。为此,应该加强对该机型的EH油油质的监控及日常的油质过滤工作,同时在机组大小修期间,应尽可能对整个油路进行有效的清洗,杜绝检修过程中产生的固体杂质残留在油系统内,造成重大的安全隐患。



TAG: 电磁阀
首页
产品
新闻
联系