新闻动态
KWZK科威自控集团
华体会在线官网,华体会(中国)
关于我们
公司简介
在线反馈
联系我们
产品展示
全部
传感器/变送器
流量计系列
液位/料位系列
阀门/执行装置
液压/气动元件
检维修工器具
化验/分析仪器
其他机电仪产品
新闻动态
全部
行业知识
企业新闻
资料下载
客户案例
新闻动态
推荐
热门
最新
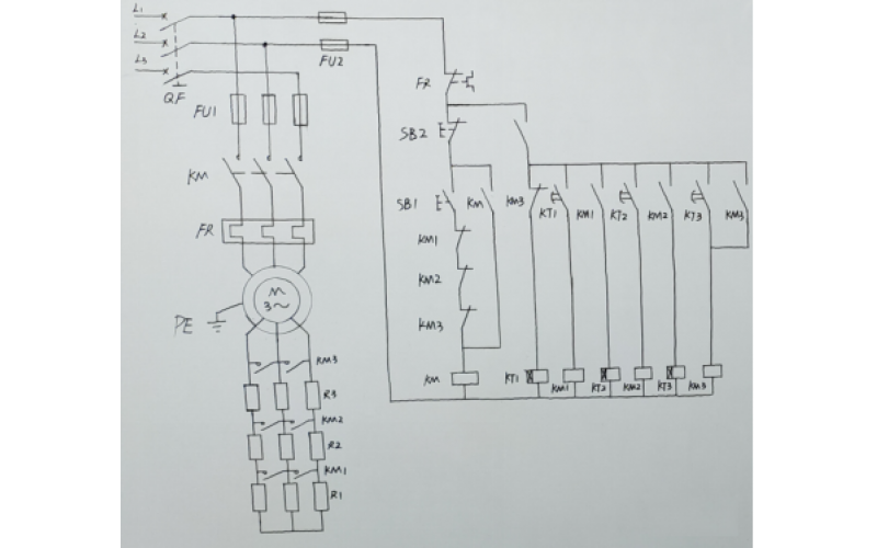
绕线转子异步电动机转子串电阻启动电路解析
绕线转子异步电动机转子串电阻启动电路解析
2022-11-17
科威
上一页
1
下一页
转至第
首页
产品
新闻
联系
ude体育(sports)官方网站
|
易游中国一站式体育服务平台
|
华体会在线官网(中国)
|
华体会手机平台
|
华体会手机网页版登录入口
|
开云体育平台注册登录
|
九游网页版登录入口
|
新利在线平台(中国)官网
|
易游中国一站式体育服务平台
|