新闻动态

  • 仪表设备外壳接地和保护接地的区别

    安全防护:与保护接地类似,防止外壳带电伤人。 电磁屏蔽:抑制电磁干扰(如电子设备的外壳接地)静电释放:避免静电积累(如通信设备机柜)

    2025-07-29 科威

  • 电机的轴电流知识分享

    电机轴电流是一种比较特殊的电流现象,是指在电机运行过程中,电流通过电机轴、轴承、底座等部件形成的闭合回路中流动的现象。它通常与轴电压的存在密切相关,而轴电压的产生则与电机的磁场不对称、供电电流中的谐波、制造或安装不良、变频器供电等因素有关。

    2025-07-16 科威

  • 电机启动电流到底有多大?

    关于电机的启动电流是额定电流的多少倍说法不一,要根据具体情况。如有十几倍的、6~8倍的、5~8倍的、5~7倍的等。

    2025-07-09 科威

  • DCS电机反馈电流与实际电流不一致怎么办?

    在DCS系统中,电流反馈信号用于实时监测电机的运行情况,确保其在额定负载下稳定运行。如果电流超出设定范围,DCS系统会触发保护机制,如报警或停机。

    2025-06-30 科威

  • Hart475对涡街流量计的使用

    1.接线方式 并联连接:将475手操器的正负极分别接入流量计信号线(4-20mA回路),注意极性正确(通常红正黑负)。 安全提示:确保回路阻抗≥250Ω,若电流回路负载不足,需外接250Ω电阻。

    2025-06-11 科威

  • 变频器的矢量控制和V/F控制你了解​吗?

    变频器的矢量控制和V/F控制是两种常见的电机控制方式,它们在原理、性能、应用场景等方面存在显著差异。以下将从多个角度详细分析这两种控制方式,并结合我搜索到的资料进行说明。

    2025-05-28 科威

  • 涡街流量计安装注意事项

    电源要求:严禁24V电源正负极接反,防止损坏线路板。 新管道安装流量计前,请吹扫管道,防止管道内有异物损坏流量计。

    2025-04-08 科威

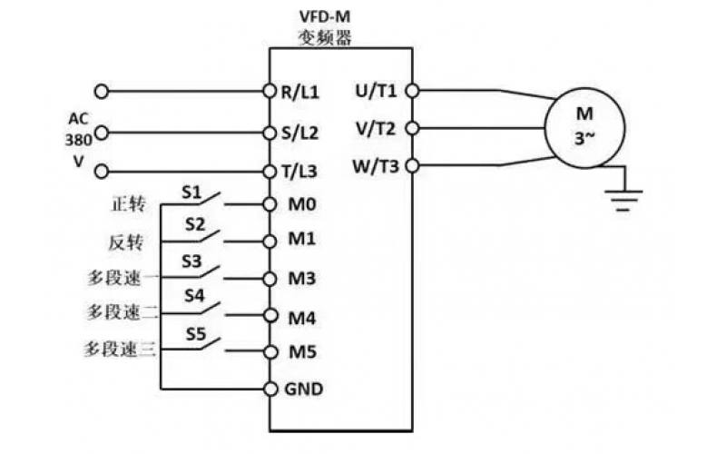
  • 变频器参数设置指南

    变频器参数设置指南

    2025-03-05 科威

上一页1234567...8下一页 转至第
首页
产品
新闻
联系